Электромеханический замок Alabay Latch 72.16-T

ALABAY Latch 72.16-T

Электромеханический замок с верхним расположением тягового модуля.

Модификация замка 72.16 для металлических дверей с “тяговыми” ручками. Тяговое усилие защелки при напряжении питания 12В (4А) - до 15кг., при 14В (6А) - до 19кг.

  • Встроенный модуль управления (booster)
  • Подключение датчика открытия двери (для сенсорных кнопок)
  • Электронная блокировка управления защелкой при выдвинутых ригелях
  • Работает с любыми уплотнителями дверей


ALABAY-LATCH - электромеханический замок, разработан для установки в металлические двери где применяются «тяговые» ручки (скобы) и нет возможности установки традиционной фалевой (нажимной) ручки для отвода защелки.

ALABAY-LATCH устанавливается как закладным способом, так и врезным с глубиной установки не превышающей 300мм.

ALABAY-LATCH имеет встроенный модуль управления (booster) который позволяет:
  • при нажатии на кнопку с максимальным усилием вдвинуть защелку в корпус на заданное время, а также удерживать ее в корпусе, при необходимости, до 5 сек. без ущерба для механизма;
  • использовать механическую или сенсорную кнопки;
  • подключить датчик открытия двери (НО) при использовании сенсорных кнопок. В этом случае «кнопка» будет срабатывать только на закрытой двери и не срабатывать на открытой, либо при закрытии.

ALABAY-LATCH блокирует возможность электромеханического управления защелкой при выдвинутых ригелях замка.
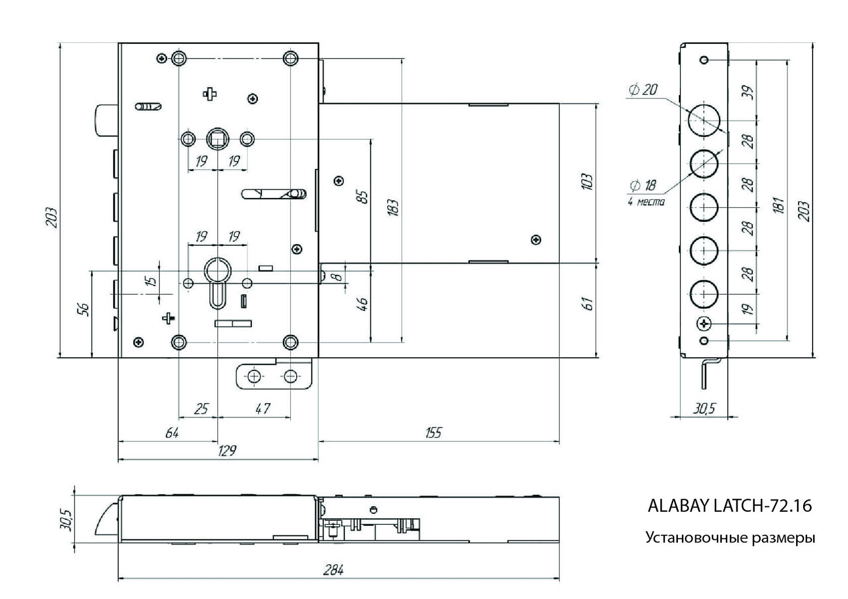
Alabay Latch 72.16 - размеры
Схема подключения Alabay Latch 72.16
Размеры
  • Напряжение питания DC 12В (4А) - 14В (5А)
  • Если геркон не используется, вместо него необходимо установить перемычку.
  • Перемычка-1 служит для изменения алгоритма работы кнопки. При установленной перемычке, защелка удерживается в корпусе пока кнопка нажата, но не более 5 сек. Без перемычки-1 защелка удерживается в корпусе 1.5сек., независимости от состоянии кнопки.
Схема подключения
ДОПОЛНИТЕЛЬНО: замок может комплектоваться сенсорным модулем ручки - L-TOUCH

По всем вопросам свяжитесь с нами любым удобным способом:
Телефон: +7(495)132-62-09
©2020 TECKI. Москва, info@tecki.ru